H42H/W立式止回閥

- 銷售:021-32051999
- 銷售:021-32050777
- 傳真:021-66099555
詳情介紹
- 產品介紹
- 服務承諾
- 訂貨流程
H42H、H42W立式止回閥正常處于關閉狀態,由于管線中進口端介質的壓力作用,而克服彈簧阻力使閥門開啟。當進口端介質壓力低于出口端時,彈簧將閥芯推向閥座而使閥門關閉,阻止介質逆流,故起止回作用。
本閥門由于采用彈簧支撐閥芯,故采用立式安裝或臥式裝均可。
應用規范
設計與制造 | GB/T12235 | |
連接端尺寸 | 結構長度 | GB/T12221 |
法蘭尺寸 | JB/T79 | |
檢驗與試驗 | JB/T9092 | |
材料 | 碳鋼 | GB/T12229 |
不銹鋼 | GB/T12230 | |
合金鋼 | Q/ZB66 | |
標志 | GB/T12220 | |
供貨 | JB/T7928 |
性能規范
型號 | 公稱 | 試驗壓力 | 工作溫度(℃) | ||
強度 | 密封 | 低壓密封 | |||
H42W-16 | 1.6 | 2.4 | 1.8 | 0.6 | ≤200 |
H42W-25 | 2.5 | 3.8 | 2.8 | 0.6 | ≤200 |
H42W-40 | 4.0 | 6.0 | 4.4 | 0.6 | ≤200 |
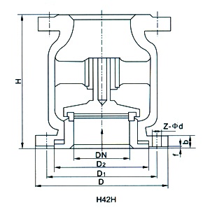
主要外形尺寸
型號 | 公稱通徑 DN | 尺寸(mm) | ||||||
L | D | D1 | D2 | H | b | Z-Φd | ||
H42H/W-16 | 15 | 130 | 95 | 65 | 45 | 77 | 14 | 4-14 |
20 | 150 | 105 | 75 | 55 | 77 | 14 | 4-14 | |
25 | 160 | 115 | 85 | 65 | 80 | 16 | 4-14 | |
32 | 180 | 135 | 100 | 78 | 85 | 16 | 4-18 | |
40 | 200 | 145 | 110 | 85 | 95 | 16 | 4-18 | |
50 | 230 | 160 | 125 | 100 | 105 | 16 | 4-18 | |
65 | 290 | 180 | 145 | 120 | 120 | 18 | 4-18 | |
80 | 310 | 195 | 160 | 135 | 130 | 20 | 8-18 | |
100 | 350 | 215 | 180 | 155 | 140 | 20 | 8-18 | |
125 | 400 | 245 | 210 | 185 | 155 | 22 | 8-18 | |
150 | 480 | 280 | 240 | 210 | 180 | 24 | 8-23 | |
200 | 600 | 335 | 295 | 265 | 215 | 26 | 12-23 | |
H42H/W-25 | 15 | 130 | 95 | 65 | 45 | 77 | 16 | 4-14 |
20 | 150 | 105 | 75 | 55 | 80 | 16 | 4-14 | |
25 | 160 | 115 | 85 | 65 | 85 | 16 | 4-14 | |
32 | 180 | 135 | 100 | 78 | 95 | 18 | 8-18 | |
40 | 200 | 145 | 110 | 85 | 105 | 18 | 8-18 | |
50 | 230 | 160 | 125 | 100 | 120 | 20 | 8-18 | |
65 | 290 | 180 | 145 | 120 | 130 | 212 | 8-18 | |
80 | 310 | 195 | 160 | 135 | 140 | 22 | 8-18 | |
100 | 350 | 230 | 190 | 160 | 155 | 24 | 8-23 | |
125 | 400 | 270 | 220 | 188 | 180 | 28 | 8-25 | |
150 | 480 | 300 | 250 | 218 | 215 | 30 | 8-25 | |
200 | 600 | 360 | 310 | 278 | 973 | 34 | 12-25 |
良好的品質、優良的服務 奇高為你創造更多價值!
“奇高閥門”的期望,不斷提升服務質量,精益求精,“真誠的服務”是“奇高”永恒的主題?!捌娓摺眹栏癜凑?span lang="EN-US">IS09001-2000 質量體系認證要求,質量嚴格把關, 責任到人,確保生產、銷售、服務的健康運行。加強與用戶溝通,竭誠為廣大客戶提供優良產品,貼心服務。特此我廠做出以下承諾:
產品標準:
產品嚴格按照中國GB、HG 標準和美國API等標準設計、制造、驗收。密封面硬度達到國家規定要求,寬度超過國家標準。
售前服務:
產品介紹,技術交流,非標產品設計,疑難解答。
售中服務:
守信合同,及時供貨,隨時保持與客戶聯系。 對特殊或復制的產品,我廠安排技術人員對用戶進行產品使用、故障排除
售后服務:
1、“奇高”牌產品品質期為自出廠起12個月,實行“三包”服務(包退、包換、保修)。
2、產品在使用中我廠定期組織技術、質檢人員進行訪問,征詢用戶對產品質量、 使用狀況、改進意見等方面的反饋, 以便進一步提高產品質量。
3、對用戶投訴質量問題,快速作出反應,售后服務人員在24-36小時(省外48小時)趕赴現場。
4、對售后服務,要求用戶填寫服務后的質量反饋信息表,并作出鑒定意見,以便提高奇高的服務質量。
1、客戶如對產品有特殊要求,須在訂貨合同中提供以下說明:
a、結構長度;
b、連接形式;
c、公稱直徑、全通徑、縮徑、管道尺寸;
d、運行介質及溫度、壓力范圍;
e、試驗、檢驗標準及其他要求
2、本廠可根據客戶特定要求配置各類驅動裝置。
3、如由客戶提供確定的閥門類型和型號時,客戶應正確說明其型號的含義和要求,在供需雙方理解一致的條件下簽訂合同。
4、期貨、訂貨的客戶請先來電函詳細告訴所需的閥門型號、規格、數量以及交貨時間、地點,并按總的30%預定金或全額貨款及時匯入我廠帳戶,其余貨款待發貨前匯入,以便及時安排發貨。
訂單流程:
1、客戶采購清單傳真至021-33872143,或來電咨詢 021-33872141
2、收到客戶采購清單,為客戶提供閥門型號選型與報價(價格清單)。
3、具體商定:交貨期、特殊要求等事宜。
訂貨須知:
1、客戶如對產品有特殊要求,須在訂貨合同中提供以下說明:
|
|||||
|
|||||
2、本廠可根據客戶特定要求配置各類驅動裝置。
|
|||||
3、如由客戶提供確定的閥門類型和型號時,客戶應正確說明其型號的含義和要求,在供需雙方理解一致的條件下簽訂合同。
|
|||||
4、期貨、訂貨的客戶請先來電函詳細告訴所需的閥門型號、規格、數量以及交貨時間、地點,并按總的30%預定金或全額貨款及時匯入我廠賬戶, 其余貨款待發貨前匯入,以便及時安排發貨。
|
售中服務:
守信合同,及時供貨,隨時保持與客戶聯系。
對特殊或復制的產品,我廠安排技術人員對用戶進行產品使用、故障排除
售后服務:
1、“奇高”產品品質期為自出廠起12個月,實行“三包”服務(包退、包換、保修)。
2、產品在使用中我廠定期組織技術、質檢人員進行訪問,征詢用戶對產品質量、使用狀況、改進意見等方面的反饋,
以便進一步提高產品質量。
3、對用戶投訴質量問題,快速作出反應,售后服務人員在24-36小時(省外48小時)趕赴現場。
4、對售后服務,要求用戶填寫服務后的質量反饋信息表,并作出鑒定意見,以便提高“奇高”的服務質量。
聲明 |
|